
施老师:
CAD中的功能非常多,平时在教授学员画图时,发现好多学员画图慢,通常用笨办法来完成一张图,其实一张图可以用好多方法来完成。比如面域,是非常好的一个命令,我们可以用面域来计算面积,还可以用面域来进行布尔运算,把作图速率提高N倍。
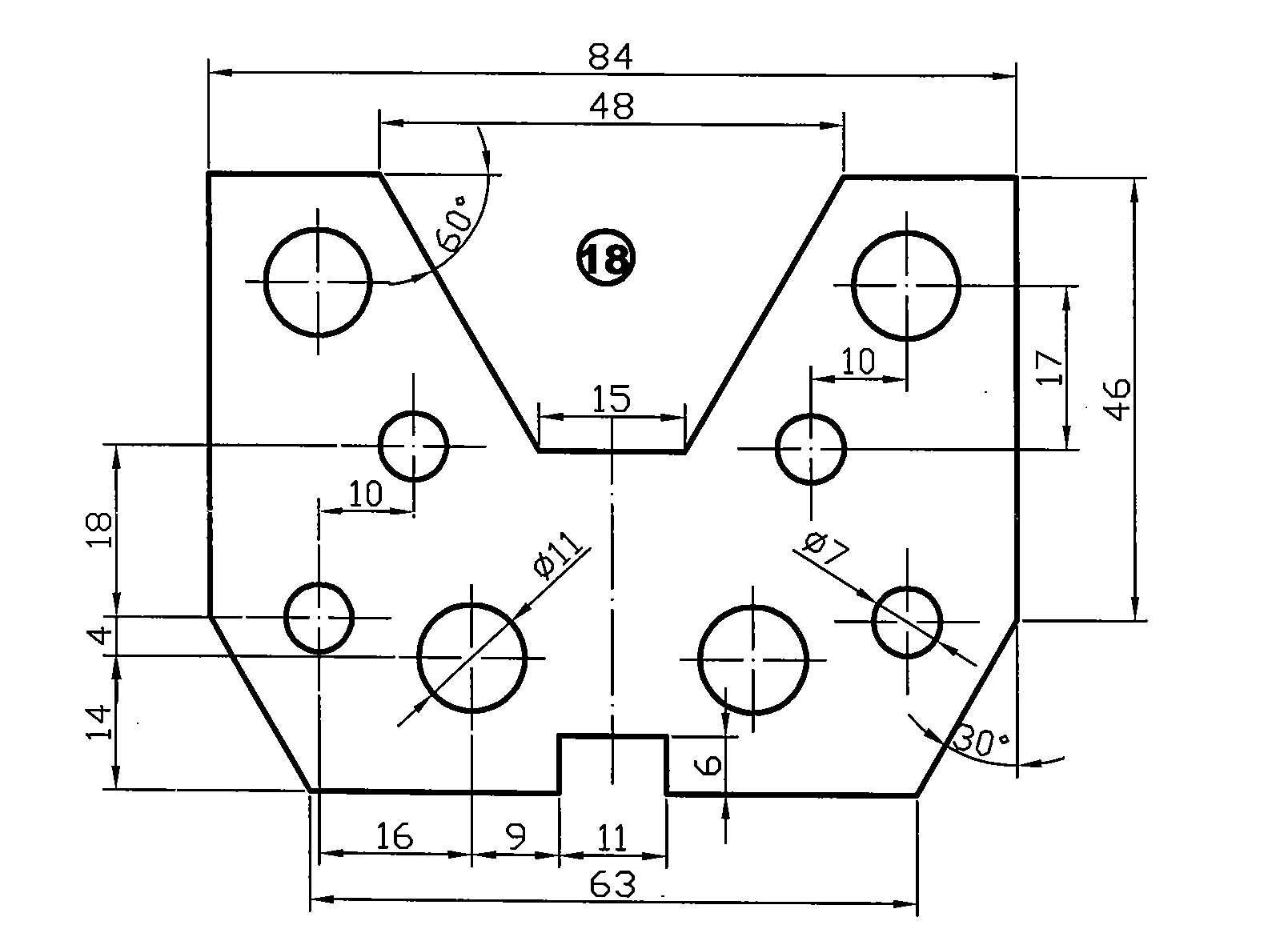
下面以这张图的实例来讲解一下如何用面域来进行布尔运算。

先看一下什么是面域
面域是使用形成闭合环的对象创建的二维闭合区域。环可以是直线、多段线、圆、圆弧、椭圆、椭圆弧和样条曲线的组合。组成环的对象必须闭合或通过与其他对象共享端点而形成闭合的区域。面域可用于 1、应用填充和着色。2、使用 MASSPROP 分析特性(例如面积)。 3、提取设计信息,例如形心。可以通过多个环或者端点相连形成环的开曲线来创建面域。不能通过非闭合对象内部相交构成的闭合区域构造面域:例如,相交的圆弧或自交的曲线。 也可以使用 BOUNDARY 创建面域。 可以通过结合、减去或查找面域的交点创建组合面域。形成这些更复杂的面域后,可以应用填充或者分析它们的面积。
这张图我们可以这样分析,首先先画一个84*64的矩形,再画两个10.5*8的小三角形,然后都做成面域,用布尔运算命令,用大矩形减掉两个小三角形,同理,上方,再画一个梯形,也做成面域,用大的矩形减掉小的梯形,最后画小圆,按坐标点移动面域里即可。

下面就看一下这张图的视频讲解:
免责声明:由于无法甄别是否为投稿用户创作以及文章的准确性,本站尊重并保护知识产权,根据《信息网络传播权保护条例》,如我们转载的作品侵犯了您的权利,请您通知我们,请将本侵权页面网址发送邮件到qingge@88.com,深感抱歉,我们会做删除处理。
